设为首页
|
加入收藏
|
联系我们
网站首页
公司简介
产品世界
代理品牌
服务承诺
人才招聘
技术资料
客户留言
联系我们
燃烧器
RIELLO利雅路燃烧器
轻油燃烧器
重油燃烧器
燃气燃烧器
双燃料燃烧器
百通Bentone燃烧器
轻油燃烧器
燃气燃烧器
沃尔肯vulcan燃烧器
轻油分体燃烧器
燃气燃烧器
油气两用燃烧器
百得BALTUR燃烧器
轻油燃烧器单段
轻油燃烧器双段
燃气燃烧器单段
燃气燃烧器双段
重油燃烧器
双燃料燃烧器
霍尼韦尔honeywell燃烧器
天时Eclipse
迪瓦尔DEEVAL燃烧器
DA系列燃气燃烧器
DJ系列燃气燃烧器
红外线浸管式加热器
燃烧器配件
油嘴系列
油泵系列
程控器及底座
RIELLO利雅路程控器
西门子程控器
丹佛斯程控器
Brahma程控器
Honeywell程控器
Satronic程控器
程控器底座
风门执行器
SIEMENS伺服马达
Honeywell伺服马达
BERGER伺服马达
威索专用伺服马达
点火变压器/高压线
FIDA点火变压器
丹佛斯点火变压器
COFI点火变压器
Brahma点火变压器
威索点火变压器
点火高压线
LGB点火变压器
Honeywell变压器
火焰探测器
RIELLO电眼
SIEMENS电眼
Honeywell电眼
扎克电电眼
电眼卡套
电磁阀/线圈
RIELLO油泵电磁阀
SUNTEC油泵电磁阀
DANFOSS电磁阀
Parker燃油电磁阀
Brahma燃油电磁阀
ASCO燃油电磁阀
燃油油滤器
轻油过滤器
重油过滤器
电机(风机马达)
连轴器
输油油管
燃烧头部分
燃烧筒
燃烧头
火焰盘
点火电极
油嘴座及支架
油量调节器
风门液压缸
油路分布器
回油调节阀
燃气阀门组
燃气压力开关
DUNGS压力开关
KromSchroder压力开关
Honeywell压力开关
阀门检漏仪
气体过滤器
燃气调压阀
西门子燃气阀组
DUNGS燃气阀组
Honeywell燃气阀组
气压表
球阀及管道连接件
燃气组件
压力表
工业高温燃烧器
霍尼韦尔honeywell系列
麦克森MAXON系列燃烧器
天时Eclipse系列燃烧器
霍科德krom系列燃烧器
欧科elco系列
法孚北美fives north american系列
地址:
上海浦东新区航头镇航头路118弄5号楼1楼西北侧
电话:
18964642568
传真:
手机:
18916086256
邮箱:
lp51196@163.com
您的当前位置:
首页
>
产品世界
> 产品详细信息
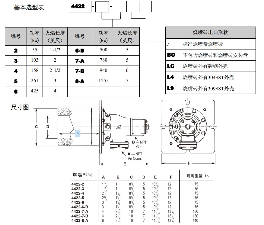
产品名称:4422通用燃气烧嘴
产品详细说明:
4422烧嘴适合多种工业场合应用,尤其适合使用过量空气和过量燃气的场合。可使用低热值煤气。
应用范围
4422燃气烧嘴广泛地应用在热处理、有色熔炉、窑炉、烤炉、空气加热炉、干燥器、化工过程设备和其他要求温度高度
均匀的领域中。
技术参数
功率范围5-1255kw
燃料类型 天然气
点火方式 4055火花塞或4011点火枪点火
最高炉温1100℃
最高预热空气温度316℃
助燃空气压力7kpa
CopyRight @ 2011 上海鹏禹热能科技有限公司 权
ICP08021656
备
支持
登陆